+7 (912)-751-33-24Заказать звонок
Заказать звонок

Оставьте Ваше сообщение и контактные данные и наши специалисты свяжутся с Вами в ближайшее рабочее время для решения Вашего вопроса.

Ваш телефон
Ваш телефон*
Ваше имя
Ваше имя

* - Поля, обязательные для заполнения

Сообщение отправлено
Ваше сообщение успешно отправлено. В ближайшее время с Вами свяжется наш специалист
Закрыть окно
arbatex@list.ru
Каталог товаров
Подписка на новости магазина

Подпишитесь на рассылку и получайте свежие новости и акции нашего магазина.

Описание товара:

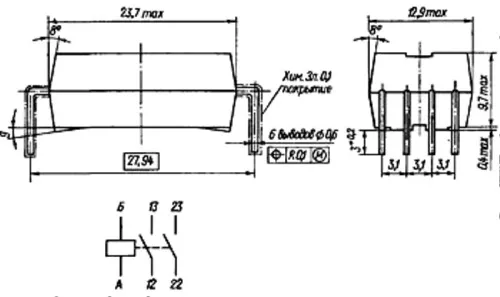
РГК-15 БГ4.569.003-01 реле электромагнитное герконовое неполяризованное одностабильное слаботочное применяется для получения независимой выдержки времени. Реле времени применяется в схемах, где необходимо автоматически выполнить какое-то действие через определенный промежуток времени. Механизм реле размещен в пластмассовом корпусе, на лицевой части реле выведен переключатель поддиапазона установок и ручка установки выдержки времени.
20.50 руб. / шт Цена не является конечной и требует уточнения у менеджера.
Загрузка
Рассчитываем стоимость доставки
Пожалуйста подождите, рассчет займет немного времени

Описание товара

Описание реле РГК-15 БГ4.569.003-01


РГК-15 БГ4.569.003-01 реле электромагнитное герконовое неполяризованное одностабильное слаботочное применяется для получения независимой выдержки времени. Реле времени применяется в схемах, где необходимо автоматически выполнить какое-то действие через определенный промежуток времени. Механизм реле размещен в пластмассовом корпусе, на лицевой части реле выведен переключатель поддиапазона установок и ручка установки выдержки времени.

Параметры и характеристики реле РГК-15 БГ4.569.003-01:


Реле РГК-15 БГ4.569.003-01 герконовое, двухпозиционное, одностабильное, с двумя магнитоуправляемыми герметизированными замыкающими контактами типа МКА-20101 ОД0.360.052 ТУ.
Реле предназначено для коммутации электрических цепей постоянного и переменного тока.
Реле РГК-15 соответствует требованиям ГОСТ 16121-86 и техническим условиям Бг0.450.003 ТУ.

Технические характеристики.
Ток питания обмотки - постоянный.
Сопротивление изоляции между токоведущими элементами, МОм, не менее:
  - в нормальных климатических условиях (обмотка обесточена) - 1000
  - при максимальной температуре (после выдержки обмотки под рабочим напряжением) - 20
  - в условиях повышенной влажности - 10
Испытательное переменное напряжение, В:
в нормальных климатических условиях:
  - между герконами, между герконами и обмоткой - 500
  - между выводами каждого геркона - 200
в условиях повышенной влажности:
  - между герконами, между герконами и обмоткой - 300
  - между выводами каждого геркона - 200
при пониженном атмосферном давлении:
  - между герконами, между герконами и обмоткой, между выводами каждого геркона - 180
Время срабатывания реле не более 1,5 мс.
Время отпускания не более 0,5 мс.
Материал контактов - Зл999,9.
Сопротивление электрического контакта не более 0,2 Ом.
Масса реле не более 8,5 г.
Минимальный срок службы и срок сохраняемости реле при хранении в условиях отапливаемого хранилища, а также вмонтированных в защищенную аппаратуру или находящихся в комплекте ЗИП - 12 лет.
Добавить отзыв
Ваша оценка:
Отправить отзыв

Похожие товары (8)

20.50 руб. / шт Цена не является конечной и требует уточнения у менеджера.
РГК-15 БГ4.569.003-01
Задать вопрос

Ваше имя*
Контактный телефон*
E-mail
Вопрос*

* - Поля, обязательные для заполнения

Сообщение отправлено
Ваше сообщение успешно отправлено. В ближайшее время с Вами свяжется наш специалист
Закрыть окно
Купить в один клик
Заполните данные для заказа
Запросить стоимость товара
Заполните данные для запроса цены
Запросить цену Запросить цену